Подшипник UCFC215 (NACHI)

Подшипник UCFC215 (NACHI)

Технические характеристики

Обозначение : UCFC215

Производитель : NACHI

Диаметр внутренний, мм : 75

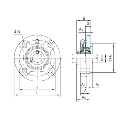
Технические данные из каталога производителя :

Внутренний диаметр (d1) - 75

Размер (H3) - 160

Размер (A0) - 62.5

Размер (A) - 40 мм.

Размер (A1) - 18 мм.

Размер (B) - 77.8 мм.

Размер (J) - 184 мм.

Размер (L) - 220

Размер (N) - 19 мм.

Размер (S) - 33.3 мм.

Болт (G) - M16

Размер (A2) - 18

Размер (A3) - 16

Масса - 7.4 Кг

Количество дорожек качения - 1

Уплотнение - Есть

Цены указаны ознакомительные, для уточнения цены и наличия просим связаться с нами по телефону, или отправить заявку на почту - sales@specprompodshipnik.ru или по тел.: +7(499) 369-70-54

Возврат к списку