Подшипник UCFC215-48 (KOYO)

Подшипник UCFC215-48 (KOYO)

Технические характеристики

Обозначение : UCFC215-48

Производитель : KOYO

Диаметр внутренний, мм : 76,2

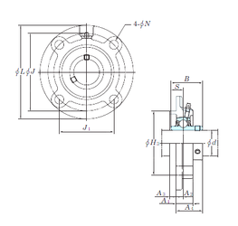
Технические данные из каталога производителя :

Внутренний диаметр (d) - 76,2 мм.

Размер (H3) - 160

Размер (A4) - 62,5

Размер (A1) - 40 мм.

Размер (B) - 77,8 мм.

Размер (J) - 184 мм.

Размер (L) - 220

Размер (N) - 19 мм.

Размер (S) - 33,3 мм.

Болт (G) - M16

Размер (A2) - 18

Размер (A3) - 16

Размер (J1) - 130,1

Масса - 7,2 Кг

Грузоподъемность динамическая (C) - 67,4 кН

Грузоподъемность статическая (C0) - 48,3 кН

Расчетный коэффициент (f0) - 14,5

Количество дорожек качения - 1

Уплотнение - Есть

Цены указаны ознакомительные, для уточнения цены и наличия просим связаться с нами по телефону, или отправить заявку на почту - sales@specprompodshipnik.ru или по тел.: +7(499) 369-70-54

Возврат к списку