Подшипник UCFC214 (NACHI)

Подшипник UCFC214 (NACHI)

Технические характеристики

Обозначение : UCFC214

Производитель : NACHI

Диаметр внутренний, мм : 70

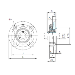
Технические данные из каталога производителя :

Внутренний диаметр (d1) - 70

Размер (H3) - 150

Размер (A0) - 61.4

Размер (A) - 40 мм.

Размер (A1) - 18 мм.

Размер (B) - 74.6 мм.

Размер (J) - 177 мм.

Размер (L) - 215

Размер (N) - 19 мм.

Размер (S) - 30.2 мм.

Болт (G) - M16

Размер (A2) - 17

Размер (A3) - 14

Масса - 6.8 Кг

Количество дорожек качения - 1

Уплотнение - Есть

Цены указаны ознакомительные, для уточнения цены и наличия просим связаться с нами по телефону, или отправить заявку на почту - sales@specprompodshipnik.ru или по тел.: +7(499) 369-70-54

Возврат к списку