Подшипник UCFC214 (CX)

Подшипник UCFC214 (CX)

Технические характеристики

Обозначение : UCFC214

Производитель : CX

Диаметр внутренний, мм : 70

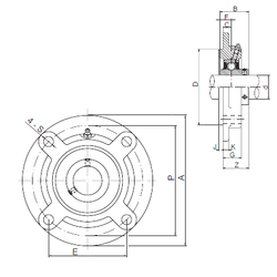
Технические данные из каталога производителя :

Внутренний диаметр (d) - 70 мм.

Размер (P) - 177

Размер (Z) - 61,4

Размер (A) - 215 мм.

Размер (B) - 74,6 мм.

Размер (C) - 17 мм.

Размер (D) - 150 мм.

Размер (E) - 125,1 мм.

Размер (F) - 30,2 мм.

Размер (G) - 40 мм.

Размер (J) - 14 мм.

Размер (K) - 18 мм.

Размер (S) - 19 мм.

Болт (G) - M16

Масса - 6,95 Кг

Количество дорожек качения - 1

Уплотнение - Есть

Цены указаны ознакомительные, для уточнения цены и наличия просим связаться с нами по телефону, или отправить заявку на почту - sales@specprompodshipnik.ru или по тел.: +7(499) 369-70-54

Возврат к списку