Подшипник UCFC213 (NACHI)

Подшипник UCFC213 (NACHI)

Технические характеристики

Обозначение : UCFC213

Производитель : NACHI

Диаметр внутренний, мм : 65

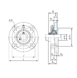
Технические данные из каталога производителя :

Внутренний диаметр (d1) - 65

Размер (H3) - 145

Размер (A0) - 55.7

Размер (A) - 36 мм.

Размер (A1) - 15 мм.

Размер (B) - 65.1 мм.

Размер (J) - 170 мм.

Размер (L) - 205

Размер (N) - 19 мм.

Размер (S) - 25.4 мм.

Болт (G) - M16

Размер (A2) - 16

Размер (A3) - 14

Масса - 5.3 Кг

Количество дорожек качения - 1

Уплотнение - Есть

Цены указаны ознакомительные, для уточнения цены и наличия просим связаться с нами по телефону, или отправить заявку на почту - sales@specprompodshipnik.ru или по тел.: +7(499) 369-70-54

Возврат к списку