Подшипник UCFC212-38 (KOYO)

Подшипник UCFC212-38 (KOYO)

Технические характеристики

Обозначение : UCFC212-38

Производитель : KOYO

Диаметр внутренний, мм : 60,325

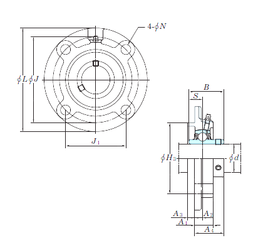
Технические данные из каталога производителя :

Внутренний диаметр (d) - 60,325 мм.

Размер (H3) - 135

Размер (A4) - 56,7

Размер (A1) - 36 мм.

Размер (B) - 65,1 мм.

Размер (J) - 160 мм.

Размер (L) - 195

Размер (N) - 19 мм.

Размер (S) - 25,4 мм.

Болт (G) - M16

Размер (A2) - 17

Размер (A3) - 12

Размер (J1) - 113,1

Масса - 5 Кг

Грузоподъемность динамическая (C) - 52,4 кН

Грузоподъемность статическая (C0) - 36,2 кН

Расчетный коэффициент (f0) - 14,4

Количество дорожек качения - 1

Уплотнение - Есть

Цены указаны ознакомительные, для уточнения цены и наличия просим связаться с нами по телефону, или отправить заявку на почту - sales@specprompodshipnik.ru или по тел.: +7(499) 369-70-54

Возврат к списку