Подшипник UCFC211 (ISO)

Подшипник UCFC211 (ISO)

Технические характеристики

Обозначение : UCFC211

Диаметр внутренний, мм : 55

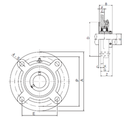
Технические данные из каталога производителя :

Внутренний диаметр (d) - 55 мм.

Размер (P) - 150

Размер (Z) - 46,4

Размер (A) - 185 мм.

Размер (B) - 55,6 мм.

Размер (C) - 13 мм.

Размер (D) - 125 мм.

Размер (E) - 106,1 мм.

Размер (F) - 22,2 мм.

Размер (G) - 31 мм.

Размер (J) - 12 мм.

Размер (K) - 15 мм.

Размер (S) - 19 мм.

Болт (G) - M16

Масса - 4,01 Кг

Количество дорожек качения - 1

Уплотнение - Есть

Цены указаны ознакомительные, для уточнения цены и наличия просим связаться с нами по телефону, или отправить заявку на почту - sales@specprompodshipnik.ru или по тел.: +7(499) 369-70-54

Возврат к списку