Подшипник UCFC211-32 (KOYO)

Подшипник UCFC211-32 (KOYO)

Технические характеристики

Обозначение : UCFC211-32

Производитель : KOYO

Диаметр внутренний, мм : 50,8

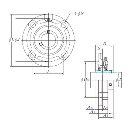
Технические данные из каталога производителя :

Внутренний диаметр (d) - 50,8 мм.

Размер (H3) - 125

Размер (A4) - 46,4

Размер (A1) - 31 мм.

Размер (B) - 55,6 мм.

Размер (J) - 150 мм.

Размер (L) - 185

Размер (N) - 19 мм.

Размер (S) - 22,2 мм.

Болт (G) - M16

Размер (A2) - 13

Размер (A3) - 12

Размер (J1) - 106,1

Масса - 4,2 Кг

Грузоподъемность динамическая (C) - 43,4 кН

Грузоподъемность статическая (C0) - 29,4 кН

Расчетный коэффициент (f0) - 14,4

Количество дорожек качения - 1

Уплотнение - Есть

Цены указаны ознакомительные, для уточнения цены и наличия просим связаться с нами по телефону, или отправить заявку на почту - sales@specprompodshipnik.ru или по тел.: +7(499) 369-70-54

Возврат к списку