Подшипник UCFC210 (NACHI)

Подшипник UCFC210 (NACHI)

Технические характеристики

Обозначение : UCFC210

Производитель : NACHI

Диаметр внутренний, мм : 50

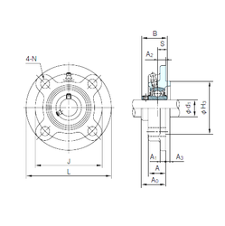
Технические данные из каталога производителя :

Внутренний диаметр (d1) - 50

Размер (H3) - 110

Размер (A0) - 42.6

Размер (A) - 28 мм.

Размер (A1) - 14 мм.

Размер (B) - 51.6 мм.

Размер (J) - 138 мм.

Размер (L) - 165

Размер (N) - 16 мм.

Размер (S) - 19 мм.

Болт (G) - M14

Размер (A2) - 10

Размер (A3) - 12

Масса - 3.1 Кг

Количество дорожек качения - 1

Уплотнение - Есть

Цены указаны ознакомительные, для уточнения цены и наличия просим связаться с нами по телефону, или отправить заявку на почту - sales@specprompodshipnik.ru или по тел.: +7(499) 369-70-54

Возврат к списку