Подшипник UCFC210-31 (KOYO)

Подшипник UCFC210-31 (KOYO)

Технические характеристики

Обозначение : UCFC210-31

Производитель : KOYO

Диаметр внутренний, мм : 49,2125

Технические данные из каталога производителя :

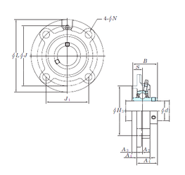
Внутренний диаметр (d) - 49,2125 мм.

Размер (H3) - 110

Размер (A4) - 42,6

Размер (A1) - 28 мм.

Размер (B) - 51,6 мм.

Размер (J) - 138 мм.

Размер (L) - 165

Размер (N) - 16 мм.

Размер (S) - 19 мм.

Болт (G) - M14

Размер (A2) - 10

Размер (A3) - 12

Размер (J1) - 97,6

Масса - 2,9 Кг

Грузоподъемность динамическая (C) - 35,1 кН

Грузоподъемность статическая (C0) - 23,3 кН

Расчетный коэффициент (f0) - 14,4

Количество дорожек качения - 1

Уплотнение - Есть

Цены указаны ознакомительные, для уточнения цены и наличия просим связаться с нами по телефону, или отправить заявку на почту - sales@specprompodshipnik.ru или по тел.: +7(499) 369-70-54

Возврат к списку