Подшипник UCFC208 (NACHI)

Подшипник UCFC208 (NACHI)

Технические характеристики

Обозначение : UCFC208

Производитель : NACHI

Диаметр внутренний, мм : 40

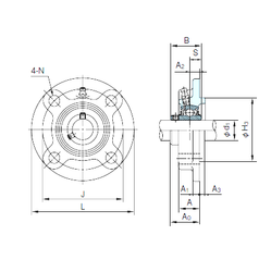
Технические данные из каталога производителя :

Внутренний диаметр (d1) - 40

Размер (H3) - 100

Размер (A0) - 41.2

Размер (A) - 26 мм.

Размер (A1) - 9 мм.

Размер (B) - 49.2 мм.

Размер (J) - 120 мм.

Размер (L) - 145

Размер (N) - 14 мм.

Размер (S) - 19 мм.

Болт (G) - M12

Размер (A2) - 11

Размер (A3) - 10

Масса - 2.1 Кг

Количество дорожек качения - 1

Уплотнение - Есть

Цены указаны ознакомительные, для уточнения цены и наличия просим связаться с нами по телефону, или отправить заявку на почту - sales@specprompodshipnik.ru или по тел.: +7(499) 369-70-54

Возврат к списку