Подшипник UCFC206 (KOYO)

Подшипник UCFC206 (KOYO)

Технические характеристики

Обозначение : UCFC206

Производитель : KOYO

Диаметр внутренний, мм : 30

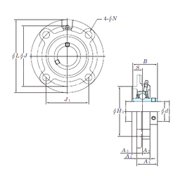
Технические данные из каталога производителя :

Внутренний диаметр (d) - 30 мм.

Размер (H3) - 80

Размер (A4) - 32,2

Размер (A1) - 23 мм.

Размер (B) - 38,1 мм.

Размер (J) - 100 мм.

Размер (L) - 125

Размер (N) - 12 мм.

Размер (S) - 15,9 мм.

Болт (G) - M10

Размер (A2) - 10

Размер (A3) - 8

Размер (J1) - 70,7

Масса - 1,3 Кг

Грузоподъемность динамическая (C) - 19,5 кН

Грузоподъемность статическая (C0) - 11,3 кН

Расчетный коэффициент (f0) - 13,9

Количество дорожек качения - 1

Уплотнение - Есть

Цены указаны ознакомительные, для уточнения цены и наличия просим связаться с нами по телефону, или отправить заявку на почту - sales@specprompodshipnik.ru или по тел.: +7(499) 369-70-54

Возврат к списку