Подшипник UCFC206 (CX)

Подшипник UCFC206 (CX)

Технические характеристики

Обозначение : UCFC206

Производитель : CX

Диаметр внутренний, мм : 30

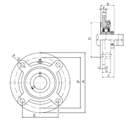
Технические данные из каталога производителя :

Внутренний диаметр (d) - 30 мм.

Размер (P) - 100

Размер (Z) - 32,2

Размер (A) - 125 мм.

Размер (B) - 38,1 мм.

Размер (C) - 10 мм.

Размер (D) - 80 мм.

Размер (E) - 70,7 мм.

Размер (F) - 15,9 мм.

Размер (G) - 23 мм.

Размер (J) - 8 мм.

Размер (K) - 8 мм.

Размер (S) - 12 мм.

Болт (G) - M10

Масса - 1,3 Кг

Количество дорожек качения - 1

Уплотнение - Есть

Цены указаны ознакомительные, для уточнения цены и наличия просим связаться с нами по телефону, или отправить заявку на почту - sales@specprompodshipnik.ru или по тел.: +7(499) 369-70-54

Возврат к списку