Подшипник UCFC205 (CX)

Подшипник UCFC205 (CX)

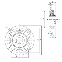
Технические характеристики

Обозначение : UCFC205

Производитель : CX

Диаметр внутренний, мм : 25

Технические данные из каталога производителя :

Внутренний диаметр (d) - 25 мм.

Размер (P) - 90

Размер (Z) - 29,8

Размер (A) - 115 мм.

Размер (B) - 34,1 мм.

Размер (C) - 10 мм.

Размер (D) - 70 мм.

Размер (E) - 63,6 мм.

Размер (F) - 14,3 мм.

Размер (G) - 21 мм.

Размер (J) - 6 мм.

Размер (K) - 7 мм.

Размер (S) - 12 мм.

Болт (G) - M10

Масса - 1 Кг

Количество дорожек качения - 1

Уплотнение - Есть

Цены указаны ознакомительные, для уточнения цены и наличия просим связаться с нами по телефону, или отправить заявку на почту - sales@specprompodshipnik.ru или по тел.: +7(499) 369-70-54

Возврат к списку