Подшипник UCFC205-15 (KOYO)

Подшипник UCFC205-15 (KOYO)

Технические характеристики

Обозначение : UCFC205-15

Производитель : KOYO

Диаметр внутренний, мм : 23,8125

Технические данные из каталога производителя :

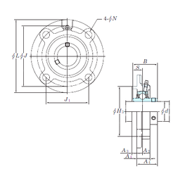
Внутренний диаметр (d) - 23,8125 мм.

Размер (H3) - 70

Размер (A4) - 29,8

Размер (A1) - 21 мм.

Размер (B) - 34,1 мм.

Размер (J) - 90 мм.

Размер (L) - 115

Размер (N) - 12 мм.

Размер (S) - 14,3 мм.

Болт (G) - M10

Размер (A2) - 10

Размер (A3) - 6

Размер (J1) - 63,6

Масса - 0,95 Кг

Грузоподъемность динамическая (C) - 14 кН

Грузоподъемность статическая (C0) - 7,85 кН

Расчетный коэффициент (f0) - 13,9

Количество дорожек качения - 1

Уплотнение - Есть

Цены указаны ознакомительные, для уточнения цены и наличия просим связаться с нами по телефону, или отправить заявку на почту - sales@specprompodshipnik.ru или по тел.: +7(499) 369-70-54

Возврат к списку