Подшипник UCFC204 (SNR)

Подшипник UCFC204 (SNR)

Технические характеристики

Обозначение : UCFC204

Производитель : SNR

Диаметр внутренний, мм : 20

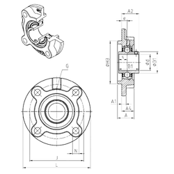
Технические данные из каталога производителя :

Внутренний диаметр (d) - 20 мм.

Размер (H3) - 62

Размер (A4) - 20,5

Размер (e) - 10

Размер (s) - 12,7 мм.

Размер (A) - 25,5 мм.

Размер (A1) - 6 мм.

Размер (B1) - 31 мм.

Размер (D1) - 29 мм.

Размер (J) - 78 мм.

Размер (L) - 100

Размер (N) - 12 мм.

Резьба (G) - M6x1

Размер (A2) - 28,3

Масса - 0,6 Кг

Грузоподъемность динамическая (C) - 12,8 кН

Грузоподъемность статическая (C0) - 6,65 кН

Количество дорожек качения - 1

Уплотнение - Есть

Цены указаны ознакомительные, для уточнения цены и наличия просим связаться с нами по телефону, или отправить заявку на почту - sales@specprompodshipnik.ru или по тел.: +7(499) 369-70-54

Возврат к списку