Подшипник UCFC203 (NACHI)

Подшипник UCFC203 (NACHI)

Технические характеристики

Обозначение : UCFC203

Производитель : NACHI

Диаметр внутренний, мм : 17

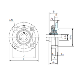
Технические данные из каталога производителя :

Внутренний диаметр (d1) - 17

Размер (H3) - 62

Размер (A0) - 28.3

Размер (A) - 20.5 мм.

Размер (A1) - 7 мм.

Размер (B) - 31 мм.

Размер (J) - 78 мм.

Размер (L) - 100

Размер (N) - 12 мм.

Размер (S) - 12.7 мм.

Болт (G) - M10

Размер (A2) - 10

Размер (A3) - 5

Масса - 0.86 Кг

Количество дорожек качения - 1

Уплотнение - Есть

Цены указаны ознакомительные, для уточнения цены и наличия просим связаться с нами по телефону, или отправить заявку на почту - sales@specprompodshipnik.ru или по тел.: +7(499) 369-70-54

Возврат к списку