Подшипник UCFB203 (KOYO)

Подшипник UCFB203 (KOYO)

Технические характеристики

Обозначение : UCFB203

Производитель : KOYO

Диаметр внутренний, мм : 17

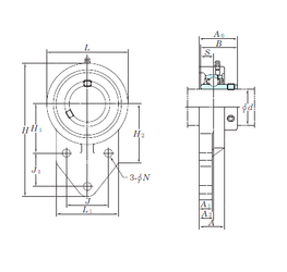
Технические данные из каталога производителя :

Внутренний диаметр (d) - 17 мм.

Размер (A0) - 31,8

Размер (A) - 24 мм.

Размер (A1) - 13 мм.

Размер (B) - 31 мм.

Размер (H) - 110 мм.

Размер (H1) - 42 мм.

Размер (H2) - 52 мм.

Размер (J) - 32 мм.

Размер (L) - 62

Размер (L1) - 52 мм.

Размер (N) - 9,5 мм.

Размер (S) - 12,7 мм.

Болт (G) - M8

Размер (A2) - 13,5

Размер (J1) - 27

Масса - 0,61 Кг

Грузоподъемность динамическая (C) - 12,8 кН

Грузоподъемность статическая (C0) - 6,65 кН

Расчетный коэффициент (f0) - 13,2

Количество дорожек качения - 1

Уплотнение - Есть

Цены указаны ознакомительные, для уточнения цены и наличия просим связаться с нами по телефону, или отправить заявку на почту - sales@specprompodshipnik.ru или по тел.: +7(499) 369-70-54

Возврат к списку