Подшипник UCFA211-34 (KOYO)

Подшипник UCFA211-34 (KOYO)

Технические характеристики

Обозначение : UCFA211-34

Производитель : KOYO

Диаметр внутренний, мм : 53,975

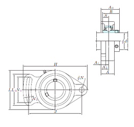
Технические данные из каталога производителя :

Внутренний диаметр (d) - 53,975 мм.

Размер (A0) - 59,1

Размер (A) - 44 мм.

Размер (A1) - 20 мм.

Размер (B) - 55,6 мм.

Размер (H) - 216 мм.

Размер (J) - 184 мм.

Размер (L) - 133

Размер (L1) - 102 мм.

Размер (N) - 16 мм.

Размер (N1) - 86 мм.

Размер (S) - 22,2 мм.

Болт (G) - M14

Размер (A2) - 25,7

Размер (N2) - 16

Масса - 3,6 Кг

Грузоподъемность динамическая (C) - 43,4 кН

Грузоподъемность статическая (C0) - 29,4 кН

Расчетный коэффициент (f0) - 14,4

Количество дорожек качения - 1

Уплотнение - Есть

Цены указаны ознакомительные, для уточнения цены и наличия просим связаться с нами по телефону, или отправить заявку на почту - sales@specprompodshipnik.ru или по тел.: +7(499) 369-70-54

Возврат к списку