Подшипник UCFA210 (NACHI)

Подшипник UCFA210 (NACHI)

Технические характеристики

Обозначение : UCFA210

Производитель : NACHI

Диаметр внутренний, мм : 50

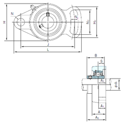
Технические данные из каталога производителя :

Внутренний диаметр (d) - 50 мм.

Размер (A0) - 54.6

Размер (A) - 40 мм.

Размер (A1) - 18 мм.

Размер (B) - 51.6 мм.

Размер (H) - 115 мм.

Размер (H2) - 94 мм.

Размер (J) - 157 мм.

Размер (L) - 190

Размер (N) - 16 мм.

Размер (N1) - 17 мм.

Размер (S) - 19 мм.

Болт (G) - M14

Размер (A2) - 22

Размер (N2) - 76

Масса - 2.4 Кг

Количество дорожек качения - 1

Уплотнение - Есть

Цены указаны ознакомительные, для уточнения цены и наличия просим связаться с нами по телефону, или отправить заявку на почту - sales@specprompodshipnik.ru или по тел.: +7(499) 369-70-54

Возврат к списку