Подшипник UCFA209-26 (KOYO)

Подшипник UCFA209-26 (KOYO)

Технические характеристики

Обозначение : UCFA209-26

Производитель : KOYO

Диаметр внутренний, мм : 41,275

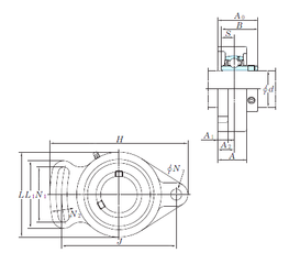
Технические данные из каталога производителя :

Внутренний диаметр (d) - 41,275 мм.

Размер (A0) - 52

Размер (A) - 40 мм.

Размер (A1) - 14 мм.

Размер (B) - 49,2 мм.

Размер (H) - 179 мм.

Размер (J) - 148 мм.

Размер (L) - 111

Размер (L1) - 88 мм.

Размер (N) - 15 мм.

Размер (N1) - 72 мм.

Размер (S) - 19 мм.

Болт (G) - M14

Размер (A2) - 21,8

Размер (N2) - 15

Масса - 1,7 Кг

Грузоподъемность динамическая (C) - 34,1 кН

Грузоподъемность статическая (C0) - 21,3 кН

Расчетный коэффициент (f0) - 14

Количество дорожек качения - 1

Уплотнение - Есть

Цены указаны ознакомительные, для уточнения цены и наличия просим связаться с нами по телефону, или отправить заявку на почту - sales@specprompodshipnik.ru или по тел.: +7(499) 369-70-54

Возврат к списку