Подшипник UCFA208 (NACHI)

Подшипник UCFA208 (NACHI)

Технические характеристики

Обозначение : UCFA208

Производитель : NACHI

Диаметр внутренний, мм : 40

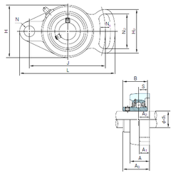
Технические данные из каталога производителя :

Внутренний диаметр (d) - 40 мм.

Размер (A0) - 51.2

Размер (A) - 36 мм.

Размер (A1) - 16 мм.

Размер (B) - 49.2 мм.

Размер (H) - 100 мм.

Размер (H2) - 87 мм.

Размер (J) - 144 мм.

Размер (L) - 175

Размер (N) - 14 мм.

Размер (N1) - 15 мм.

Размер (S) - 19 мм.

Болт (G) - M12

Размер (A2) - 21

Размер (N2) - 71

Масса - 1.7 Кг

Количество дорожек качения - 1

Уплотнение - Есть

Цены указаны ознакомительные, для уточнения цены и наличия просим связаться с нами по телефону, или отправить заявку на почту - sales@specprompodshipnik.ru или по тел.: +7(499) 369-70-54

Возврат к списку