Подшипник UCFA208-25 (KOYO)

Подшипник UCFA208-25 (KOYO)

Технические характеристики

Обозначение : UCFA208-25

Производитель : KOYO

Диаметр внутренний, мм : 39,6875

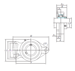
Технические данные из каталога производителя :

Внутренний диаметр (d) - 39,6875 мм.

Размер (A0) - 51

Размер (A) - 38 мм.

Размер (A1) - 14 мм.

Размер (B) - 49,2 мм.

Размер (H) - 171 мм.

Размер (J) - 144 мм.

Размер (L) - 105

Размер (L1) - 84 мм.

Размер (N) - 13 мм.

Размер (N1) - 70 мм.

Размер (S) - 19 мм.

Болт (G) - M12

Размер (A2) - 20,8

Размер (N2) - 13

Масса - 1,9 Кг

Грузоподъемность динамическая (C) - 29,1 кН

Грузоподъемность статическая (C0) - 17,8 кН

Расчетный коэффициент (f0) - 14

Количество дорожек качения - 1

Уплотнение - Есть

Цены указаны ознакомительные, для уточнения цены и наличия просим связаться с нами по телефону, или отправить заявку на почту - sales@specprompodshipnik.ru или по тел.: +7(499) 369-70-54

Возврат к списку