Подшипник UCFA206 (NACHI)

Подшипник UCFA206 (NACHI)

Технические характеристики

Обозначение : UCFA206

Производитель : NACHI

Диаметр внутренний, мм : 30

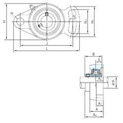
Технические данные из каталога производителя :

Внутренний диаметр (d) - 30 мм.

Размер (A0) - 40.2

Размер (A) - 31 мм.

Размер (A1) - 14 мм.

Размер (B) - 38.1 мм.

Размер (H) - 80 мм.

Размер (H2) - 72 мм.

Размер (J) - 117 мм.

Размер (L) - 144

Размер (N) - 12 мм.

Размер (N1) - 13 мм.

Размер (S) - 15.9 мм.

Болт (G) - M10

Размер (A2) - 18

Размер (N2) - 58

Масса - 1.0 Кг

Количество дорожек качения - 1

Уплотнение - Есть

Цены указаны ознакомительные, для уточнения цены и наличия просим связаться с нами по телефону, или отправить заявку на почту - sales@specprompodshipnik.ru или по тел.: +7(499) 369-70-54

Возврат к списку