Подшипник UCFA205 (NACHI)

Подшипник UCFA205 (NACHI)

Технические характеристики

Обозначение : UCFA205

Производитель : NACHI

Диаметр внутренний, мм : 25

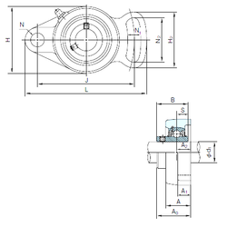
Технические данные из каталога производителя :

Внутренний диаметр (d) - 25 мм.

Размер (A0) - 35.7

Размер (A) - 27 мм.

Размер (A1) - 14 мм.

Размер (B) - 34 мм.

Размер (H) - 68 мм.

Размер (H2) - 65 мм.

Размер (J) - 98 мм.

Размер (L) - 125

Размер (N) - 12 мм.

Размер (N1) - 13 мм.

Размер (S) - 14.3 мм.

Болт (G) - M10

Размер (A2) - 16

Размер (N2) - 51

Масса - 0.66 Кг

Количество дорожек качения - 1

Уплотнение - Есть

Цены указаны ознакомительные, для уточнения цены и наличия просим связаться с нами по телефону, или отправить заявку на почту - sales@specprompodshipnik.ru или по тел.: +7(499) 369-70-54

Возврат к списку