Подшипник UCFA204-12 (KOYO)

Подшипник UCFA204-12 (KOYO)

Технические характеристики

Обозначение : UCFA204-12

Производитель : KOYO

Диаметр внутренний, мм : 19.05

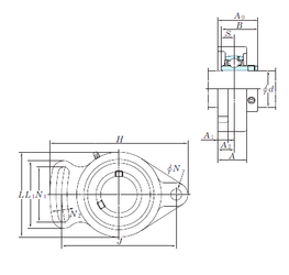
Технические данные из каталога производителя :

Внутренний диаметр (d) - 19.05 мм.

Размер (A0) - 32,1

Размер (A) - 24 мм.

Размер (A1) - 11 мм.

Размер (B) - 31 мм.

Размер (H) - 98 мм.

Размер (J) - 78 мм.

Размер (L) - 59

Размер (L1) - 50 мм.

Размер (N) - 10 мм.

Размер (N1) - 40 мм.

Размер (S) - 12,7 мм.

Болт (G) - M8

Размер (A2) - 13,8

Размер (N2) - 10

Масса - 0,42 Кг

Грузоподъемность динамическая (C) - 12,8 кН

Грузоподъемность статическая (C0) - 6,65 кН

Расчетный коэффициент (f0) - 13,2

Количество дорожек качения - 1

Уплотнение - Есть

Цены указаны ознакомительные, для уточнения цены и наличия просим связаться с нами по телефону, или отправить заявку на почту - sales@specprompodshipnik.ru или по тел.: +7(499) 369-70-54

Возврат к списку