Подшипник UCF326 (KOYO)

Подшипник UCF326 (KOYO)

Технические характеристики

Обозначение : UCF326

Производитель : KOYO

Диаметр внутренний, мм : 130

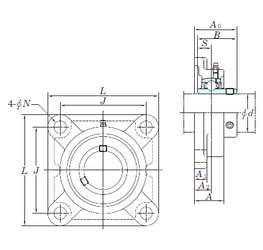
Технические данные из каталога производителя :

Внутренний диаметр (d) - 130 мм.

Размер (A0) - 146

Размер (A) - 115 мм.

Размер (A1) - 45 мм.

Размер (B) - 135 мм.

Размер (J) - 320 мм.

Размер (L) - 410

Размер (N) - 41 мм.

Размер (S) - 54 мм.

Болт (G) - M36

Размер (A2) - 65

Масса - 65,5 Кг

Грузоподъемность динамическая (C) - 229 кН

Грузоподъемность статическая (C0) - 214 кН

Расчетный коэффициент (f0) - 13,6

Количество дорожек качения - 1

Уплотнение - Есть

Цены указаны ознакомительные, для уточнения цены и наличия просим связаться с нами по телефону, или отправить заявку на почту - sales@specprompodshipnik.ru или по тел.: +7(499) 369-70-54

Возврат к списку