Подшипник UCF320 (KOYO)

Подшипник UCF320 (KOYO)

Технические характеристики

Обозначение : UCF320

Производитель : KOYO

Диаметр внутренний, мм : 100

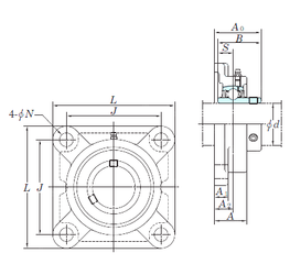
Технические данные из каталога производителя :

Внутренний диаметр (d) - 100 мм.

Размер (A0) - 125

Размер (A) - 94 мм.

Размер (A1) - 32 мм.

Размер (B) - 108 мм.

Размер (J) - 242 мм.

Размер (L) - 310

Размер (N) - 38 мм.

Размер (S) - 42 мм.

Болт (G) - M33

Размер (A2) - 59

Масса - 25,8 Кг

Грузоподъемность динамическая (C) - 173 кН

Грузоподъемность статическая (C0) - 141 кН

Расчетный коэффициент (f0) - 13,2

Количество дорожек качения - 1

Уплотнение - Есть

Цены указаны ознакомительные, для уточнения цены и наличия просим связаться с нами по телефону, или отправить заявку на почту - sales@specprompodshipnik.ru или по тел.: +7(499) 369-70-54

Возврат к списку