Подшипник UCF319 (KOYO)

Подшипник UCF319 (KOYO)

Технические характеристики

Обозначение : UCF319

Производитель : KOYO

Диаметр внутренний, мм : 95

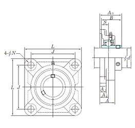
Технические данные из каталога производителя :

Внутренний диаметр (d) - 95 мм.

Размер (A0) - 121

Размер (A) - 94 мм.

Размер (A1) - 30 мм.

Размер (B) - 103 мм.

Размер (J) - 228 мм.

Размер (L) - 290

Размер (N) - 35 мм.

Размер (S) - 41 мм.

Болт (G) - M30

Размер (A2) - 59

Масса - 21,6 Кг

Грузоподъемность динамическая (C) - 153 кН

Грузоподъемность статическая (C0) - 119 кН

Расчетный коэффициент (f0) - 13,3

Количество дорожек качения - 1

Уплотнение - Есть

Цены указаны ознакомительные, для уточнения цены и наличия просим связаться с нами по телефону, или отправить заявку на почту - sales@specprompodshipnik.ru или по тел.: +7(499) 369-70-54

Возврат к списку