Подшипник UCF317 (CX)

Технические характеристики

Обозначение : UCF317

Производитель : CX

Диаметр внутренний, мм : 85

Высота, мм : 96

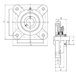
Технические данные из каталога производителя :

Внутренний диаметр (d) - 85 мм.

Размер (Z) - 100

Размер (A) - 260 мм.

Размер (B) - 96 мм.

Размер (C) - 44 мм.

Размер (E) - 204 мм.

Размер (F) - 40 мм.

Размер (G) - 27 мм.

Размер (L) - 74

Размер (S) - 31 мм.

Болт (G) - M27

Масса - 16 Кг

Количество дорожек качения - 1

Уплотнение - Есть

Цены указаны ознакомительные, для уточнения цены и наличия просим связаться с нами по телефону, или отправить заявку на почту - sales@specprompodshipnik.ru или по тел.: +7(499) 369-70-54

Возврат к списку