Подшипник UCF315 (KOYO)

Подшипник UCF315 (KOYO)

Технические характеристики

Обозначение : UCF315

Производитель : KOYO

Диаметр внутренний, мм : 75

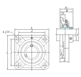
Технические данные из каталога производителя :

Внутренний диаметр (d) - 75 мм.

Размер (A0) - 89

Размер (A) - 66 мм.

Размер (A1) - 25 мм.

Размер (B) - 82 мм.

Размер (J) - 184 мм.

Размер (L) - 236

Размер (N) - 25 мм.

Размер (S) - 32 мм.

Болт (G) - M22

Размер (A2) - 39

Масса - 11,6 Кг

Грузоподъемность динамическая (C) - 113 кН

Грузоподъемность статическая (C0) - 77,2 кН

Расчетный коэффициент (f0) - 13,2

Количество дорожек качения - 1

Уплотнение - Есть

Цены указаны ознакомительные, для уточнения цены и наличия просим связаться с нами по телефону, или отправить заявку на почту - sales@specprompodshipnik.ru или по тел.: +7(499) 369-70-54

Возврат к списку