Подшипник UCF313-40 (KOYO)

Подшипник UCF313-40 (KOYO)

Технические характеристики

Обозначение : UCF313-40

Производитель : KOYO

Диаметр внутренний, мм : 63,5

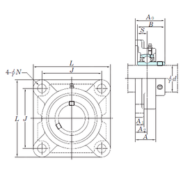
Технические данные из каталога производителя :

Внутренний диаметр (d) - 63,5 мм.

Размер (A0) - 78

Размер (A) - 58 мм.

Размер (A1) - 22 мм.

Размер (B) - 75 мм.

Размер (J) - 166 мм.

Размер (L) - 208

Размер (N) - 23 мм.

Размер (S) - 30 мм.

Болт (G) - M20

Размер (A2) - 33

Масса - 7,8 Кг

Грузоподъемность динамическая (C) - 92,7 кН

Грузоподъемность статическая (C0) - 59,9 кН

Расчетный коэффициент (f0) - 13,2

Количество дорожек качения - 1

Уплотнение - Есть

Цены указаны ознакомительные, для уточнения цены и наличия просим связаться с нами по телефону, или отправить заявку на почту - sales@specprompodshipnik.ru или по тел.: +7(499) 369-70-54

Возврат к списку