Подшипник UCF312 (CX)

Технические характеристики

Обозначение : UCF312

Производитель : CX

Диаметр внутренний, мм : 60

Высота, мм : 71

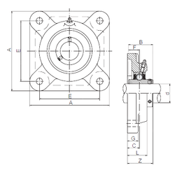
Технические данные из каталога производителя :

Внутренний диаметр (d) - 60 мм.

Размер (Z) - 78

Размер (A) - 195 мм.

Размер (B) - 71 мм.

Размер (C) - 33 мм.

Размер (E) - 150 мм.

Размер (F) - 26 мм.

Размер (G) - 22 мм.

Размер (L) - 56

Размер (S) - 23 мм.

Болт (G) - M20

Масса - 6,5 Кг

Количество дорожек качения - 1

Уплотнение - Есть

Цены указаны ознакомительные, для уточнения цены и наличия просим связаться с нами по телефону, или отправить заявку на почту - sales@specprompodshipnik.ru или по тел.: +7(499) 369-70-54

Возврат к списку