Подшипник UCF311 (CX)

Технические характеристики

Обозначение : UCF311

Производитель : CX

Диаметр внутренний, мм : 55

Высота, мм : 66

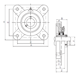
Технические данные из каталога производителя :

Внутренний диаметр (d) - 55 мм.

Размер (Z) - 71

Размер (A) - 185 мм.

Размер (B) - 66 мм.

Размер (C) - 30 мм.

Размер (E) - 140 мм.

Размер (F) - 25 мм.

Размер (G) - 20 мм.

Размер (L) - 52

Размер (S) - 23 мм.

Болт (G) - M20

Масса - 5,5 Кг

Количество дорожек качения - 1

Уплотнение - Есть

Цены указаны ознакомительные, для уточнения цены и наличия просим связаться с нами по телефону, или отправить заявку на почту - sales@specprompodshipnik.ru или по тел.: +7(499) 369-70-54

Возврат к списку