Подшипник UCF311-32 (KOYO)

Подшипник UCF311-32 (KOYO)

Технические характеристики

Обозначение : UCF311-32

Производитель : KOYO

Диаметр внутренний, мм : 50,8

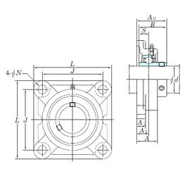
Технические данные из каталога производителя :

Внутренний диаметр (d) - 50,8 мм.

Размер (A0) - 71

Размер (A) - 52 мм.

Размер (A1) - 20 мм.

Размер (B) - 66 мм.

Размер (J) - 140 мм.

Размер (L) - 185

Размер (N) - 23 мм.

Размер (S) - 25 мм.

Болт (G) - M20

Размер (A2) - 30

Масса - 5,6 Кг

Грузоподъемность динамическая (C) - 71,6 кН

Грузоподъемность статическая (C0) - 45 кН

Расчетный коэффициент (f0) - 13,2

Количество дорожек качения - 1

Уплотнение - Есть

Цены указаны ознакомительные, для уточнения цены и наличия просим связаться с нами по телефону, или отправить заявку на почту - sales@specprompodshipnik.ru или по тел.: +7(499) 369-70-54

Возврат к списку