Подшипник UCF310 (KOYO)

Подшипник UCF310 (KOYO)

Технические характеристики

Обозначение : UCF310

Производитель : KOYO

Диаметр внутренний, мм : 50

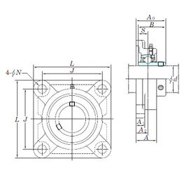
Технические данные из каталога производителя :

Внутренний диаметр (d) - 50 мм.

Размер (A0) - 67

Размер (A) - 48 мм.

Размер (A1) - 19 мм.

Размер (B) - 61 мм.

Размер (J) - 132 мм.

Размер (L) - 175

Размер (N) - 23 мм.

Размер (S) - 22 мм.

Болт (G) - M20

Размер (A2) - 28

Масса - 5,1 Кг

Грузоподъемность динамическая (C) - 62 кН

Грузоподъемность статическая (C0) - 38,3 кН

Расчетный коэффициент (f0) - 13,2

Количество дорожек качения - 1

Уплотнение - Есть

Цены указаны ознакомительные, для уточнения цены и наличия просим связаться с нами по телефону, или отправить заявку на почту - sales@specprompodshipnik.ru или по тел.: +7(499) 369-70-54

Возврат к списку