Подшипник UCF310 (CX)

Технические характеристики

Обозначение : UCF310

Производитель : CX

Диаметр внутренний, мм : 50

Высота, мм : 61

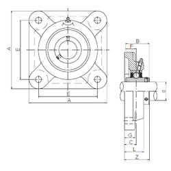
Технические данные из каталога производителя :

Внутренний диаметр (d) - 50 мм.

Размер (Z) - 67

Размер (A) - 175 мм.

Размер (B) - 61 мм.

Размер (C) - 28 мм.

Размер (E) - 132 мм.

Размер (F) - 22 мм.

Размер (G) - 19 мм.

Размер (L) - 48

Размер (S) - 23 мм.

Болт (G) - M20

Масса - 4,5 Кг

Количество дорожек качения - 1

Уплотнение - Есть

Цены указаны ознакомительные, для уточнения цены и наличия просим связаться с нами по телефону, или отправить заявку на почту - sales@specprompodshipnik.ru или по тел.: +7(499) 369-70-54

Возврат к списку