Подшипник UCF308-24 (KOYO)

Подшипник UCF308-24 (KOYO)

Технические характеристики

Обозначение : UCF308-24

Производитель : KOYO

Диаметр внутренний, мм : 36,5125

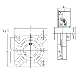
Технические данные из каталога производителя :

Внутренний диаметр (d) - 36,5125 мм.

Размер (A0) - 56

Размер (A) - 40 мм.

Размер (A1) - 17 мм.

Размер (B) - 52 мм.

Размер (J) - 112 мм.

Размер (L) - 150

Размер (N) - 19 мм.

Размер (S) - 19 мм.

Болт (G) - M16

Размер (A2) - 23

Масса - 3,1 Кг

Грузоподъемность динамическая (C) - 40,7 кН

Грузоподъемность статическая (C0) - 24 кН

Расчетный коэффициент (f0) - 13,2

Количество дорожек качения - 1

Уплотнение - Есть

Цены указаны ознакомительные, для уточнения цены и наличия просим связаться с нами по телефону, или отправить заявку на почту - sales@specprompodshipnik.ru или по тел.: +7(499) 369-70-54

Возврат к списку