Подшипник UCF307 (CX)

Технические характеристики

Обозначение : UCF307

Производитель : CX

Диаметр внутренний, мм : 35

Высота, мм : 48

Технические данные из каталога производителя :

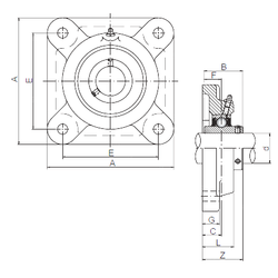
Внутренний диаметр (d) - 35 мм.

Размер (Z) - 49

Размер (A) - 135 мм.

Размер (B) - 48 мм.

Размер (C) - 20 мм.

Размер (E) - 100 мм.

Размер (F) - 19 мм.

Размер (G) - 16 мм.

Размер (L) - 36

Размер (S) - 19 мм.

Болт (G) - M16

Масса - 2 Кг

Количество дорожек качения - 1

Уплотнение - Есть

Цены указаны ознакомительные, для уточнения цены и наличия просим связаться с нами по телефону, или отправить заявку на почту - sales@specprompodshipnik.ru или по тел.: +7(499) 369-70-54

Возврат к списку