Подшипник UCF305-16 (KOYO)

Подшипник UCF305-16 (KOYO)

Технические характеристики

Обозначение : UCF305-16

Производитель : KOYO

Диаметр внутренний, мм : 25,4

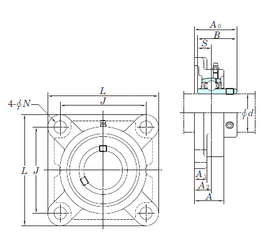
Технические данные из каталога производителя :

Внутренний диаметр (d) - 25,4 мм.

Размер (A0) - 39

Размер (A) - 29 мм.

Размер (A1) - 13 мм.

Размер (B) - 38 мм.

Размер (J) - 80 мм.

Размер (L) - 110

Размер (N) - 16 мм.

Размер (S) - 15 мм.

Болт (G) - M14

Размер (A2) - 16

Масса - 1,3 Кг

Грузоподъемность динамическая (C) - 21,2 кН

Грузоподъемность статическая (C0) - 10,9 кН

Расчетный коэффициент (f0) - 12,6

Количество дорожек качения - 1

Уплотнение - Есть

Цены указаны ознакомительные, для уточнения цены и наличия просим связаться с нами по телефону, или отправить заявку на почту - sales@specprompodshipnik.ru или по тел.: +7(499) 369-70-54

Возврат к списку