Подшипник UCF218 (KOYO)

Подшипник UCF218 (KOYO)

Технические характеристики

Обозначение : UCF218

Производитель : KOYO

Диаметр внутренний, мм : 90

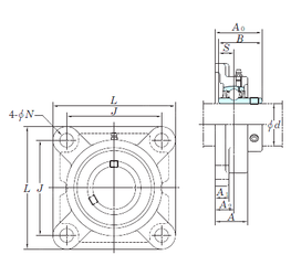
Технические данные из каталога производителя :

Внутренний диаметр (d) - 90 мм.

Размер (A0) - 96,3

Размер (A) - 68 мм.

Размер (A1) - 25 мм.

Размер (B) - 96 мм.

Размер (J) - 187 мм.

Размер (L) - 235

Размер (N) - 23 мм.

Размер (S) - 39,7 мм.

Болт (G) - M20

Размер (A2) - 40

Масса - 11,4 Кг

Грузоподъемность динамическая (C) - 96,1 кН

Грузоподъемность статическая (C0) - 71,5 кН

Расчетный коэффициент (f0) - 14,5

Количество дорожек качения - 1

Уплотнение - Есть

Цены указаны ознакомительные, для уточнения цены и наличия просим связаться с нами по телефону, или отправить заявку на почту - sales@specprompodshipnik.ru или по тел.: +7(499) 369-70-54

Возврат к списку