Подшипник UCF217 (ISO)

Подшипник UCF217 (ISO)

Технические характеристики

Обозначение : UCF217

Диаметр внутренний, мм : 85

Высота, мм : 85,7

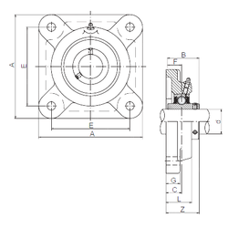
Технические данные из каталога производителя :

Внутренний диаметр (d) - 85 мм.

Размер (Z) - 87,6

Размер (A) - 220 мм.

Размер (B) - 85,7 мм.

Размер (C) - 36 мм.

Размер (E) - 175 мм.

Размер (F) - 34,1 мм.

Размер (G) - 24 мм.

Размер (L) - 63

Размер (S) - 23 мм.

Болт (G) - M20

Масса - 9,66 Кг

Количество дорожек качения - 1

Уплотнение - Есть

Цены указаны ознакомительные, для уточнения цены и наличия просим связаться с нами по телефону, или отправить заявку на почту - sales@specprompodshipnik.ru или по тел.: +7(499) 369-70-54

Возврат к списку