Подшипник UCF217-52E (KOYO)

Подшипник UCF217-52E (KOYO)

Технические характеристики

Обозначение : UCF217-52E

Производитель : KOYO

Диаметр внутренний, мм : 82,55

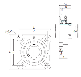
Технические данные из каталога производителя :

Внутренний диаметр (d) - 82,55 мм.

Размер (A0) - 87,6

Размер (A) - 63 мм.

Размер (A1) - 24 мм.

Размер (B) - 85,7 мм.

Размер (J) - 175 мм.

Размер (L) - 220

Размер (N) - 19 мм.

Размер (S) - 34,1 мм.

Болт (G) - 11/16

Размер (A2) - 36

Масса - 8,9 Кг

Грузоподъемность динамическая (C) - 84 кН

Грузоподъемность статическая (C0) - 61,9 кН

Расчетный коэффициент (f0) - 14,5

Количество дорожек качения - 1

Уплотнение - Есть

Цены указаны ознакомительные, для уточнения цены и наличия просим связаться с нами по телефону, или отправить заявку на почту - sales@specprompodshipnik.ru или по тел.: +7(499) 369-70-54

Возврат к списку