Подшипник UCF216-50E (KOYO)

Подшипник UCF216-50E (KOYO)

Технические характеристики

Обозначение : UCF216-50E

Производитель : KOYO

Диаметр внутренний, мм : 79,375

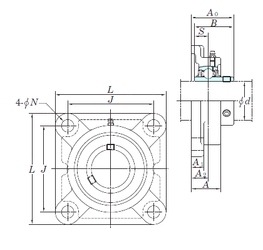
Технические данные из каталога производителя :

Внутренний диаметр (d) - 79,375 мм.

Размер (A0) - 83,3

Размер (A) - 58 мм.

Размер (A1) - 22 мм.

Размер (B) - 82,6 мм.

Размер (J) - 165 мм.

Размер (L) - 208

Размер (N) - 19 мм.

Размер (S) - 33,3 мм.

Болт (G) - 11/16

Размер (A2) - 34

Масса - 7,3 Кг

Грузоподъемность динамическая (C) - 72,7 кН

Грузоподъемность статическая (C0) - 53 кН

Расчетный коэффициент (f0) - 14,6

Количество дорожек качения - 1

Уплотнение - Есть

Цены указаны ознакомительные, для уточнения цены и наличия просим связаться с нами по телефону, или отправить заявку на почту - sales@specprompodshipnik.ru или по тел.: +7(499) 369-70-54

Возврат к списку