Подшипник UCF214 (KOYO)

Подшипник UCF214 (KOYO)

Технические характеристики

Обозначение : UCF214

Производитель : KOYO

Диаметр внутренний, мм : 70

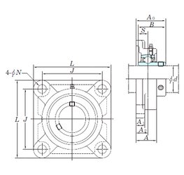
Технические данные из каталога производителя :

Внутренний диаметр (d) - 70 мм.

Размер (A0) - 75,4

Размер (A) - 54 мм.

Размер (A1) - 22 мм.

Размер (B) - 74,6 мм.

Размер (J) - 152 мм.

Размер (L) - 193

Размер (N) - 19 мм.

Размер (S) - 30,2 мм.

Болт (G) - M16

Размер (A2) - 31

Масса - 5,9 Кг

Грузоподъемность динамическая (C) - 62,2 кН

Грузоподъемность статическая (C0) - 44,1 кН

Расчетный коэффициент (f0) - 14,5

Количество дорожек качения - 1

Уплотнение - Есть

Цены указаны ознакомительные, для уточнения цены и наличия просим связаться с нами по телефону, или отправить заявку на почту - sales@specprompodshipnik.ru или по тел.: +7(499) 369-70-54

Возврат к списку