Подшипник UCF213-40E (KOYO)

Подшипник UCF213-40E (KOYO)

Технические характеристики

Обозначение : UCF213-40E

Производитель : KOYO

Диаметр внутренний, мм : 63,5

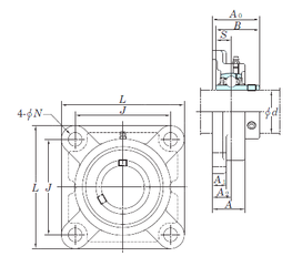
Технические данные из каталога производителя :

Внутренний диаметр (d) - 63,5 мм.

Размер (A0) - 69,7

Размер (A) - 50 мм.

Размер (A1) - 22 мм.

Размер (B) - 65,1 мм.

Размер (J) - 149 мм.

Размер (L) - 187

Размер (N) - 17 мм.

Размер (S) - 25,4 мм.

Болт (G) - 5/8

Размер (A2) - 30

Масса - 5,2 Кг

Грузоподъемность динамическая (C) - 57,2 кН

Грузоподъемность статическая (C0) - 40,1 кН

Расчетный коэффициент (f0) - 14,4

Количество дорожек качения - 1

Уплотнение - Есть

Цены указаны ознакомительные, для уточнения цены и наличия просим связаться с нами по телефону, или отправить заявку на почту - sales@specprompodshipnik.ru или по тел.: +7(499) 369-70-54

Возврат к списку