Подшипник UCF211 (KOYO)

Подшипник UCF211 (KOYO)

Технические характеристики

Обозначение : UCF211

Производитель : KOYO

Диаметр внутренний, мм : 55

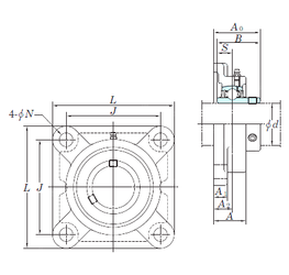
Технические данные из каталога производителя :

Внутренний диаметр (d) - 55 мм.

Размер (A0) - 58,4

Размер (A) - 43 мм.

Размер (A1) - 18 мм.

Размер (B) - 55,6 мм.

Размер (J) - 130 мм.

Размер (L) - 162

Размер (N) - 19 мм.

Размер (S) - 22,2 мм.

Болт (G) - M16

Размер (A2) - 25

Масса - 3,4 Кг

Грузоподъемность динамическая (C) - 43,4 кН

Грузоподъемность статическая (C0) - 29,4 кН

Расчетный коэффициент (f0) - 14,4

Количество дорожек качения - 1

Уплотнение - Есть

Цены указаны ознакомительные, для уточнения цены и наличия просим связаться с нами по телефону, или отправить заявку на почту - sales@specprompodshipnik.ru или по тел.: +7(499) 369-70-54

Возврат к списку