Подшипник UCF209 (KOYO)

Подшипник UCF209 (KOYO)

Технические характеристики

Обозначение : UCF209

Производитель : KOYO

Диаметр внутренний, мм : 45

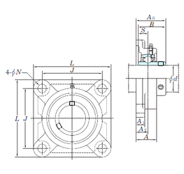
Технические данные из каталога производителя :

Внутренний диаметр (d) - 45 мм.

Размер (A0) - 52,2

Размер (A) - 38 мм.

Размер (A1) - 16 мм.

Размер (B) - 49,2 мм.

Размер (J) - 105 мм.

Размер (L) - 137

Размер (N) - 16 мм.

Размер (S) - 19 мм.

Болт (G) - M14

Размер (A2) - 22

Масса - 2,2 Кг

Грузоподъемность динамическая (C) - 34,1 кН

Грузоподъемность статическая (C0) - 21,3 кН

Расчетный коэффициент (f0) - 14

Количество дорожек качения - 1

Уплотнение - Есть

Цены указаны ознакомительные, для уточнения цены и наличия просим связаться с нами по телефону, или отправить заявку на почту - sales@specprompodshipnik.ru или по тел.: +7(499) 369-70-54

Возврат к списку