Подшипник UCF208 (CX)

Технические характеристики

Обозначение : UCF208

Производитель : CX

Диаметр внутренний, мм : 40

Высота, мм : 49,2

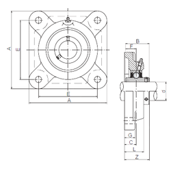
Технические данные из каталога производителя :

Внутренний диаметр (d) - 40 мм.

Размер (Z) - 51,2

Размер (A) - 130 мм.

Размер (B) - 49,2 мм.

Размер (C) - 21 мм.

Размер (E) - 102 мм.

Размер (F) - 19 мм.

Размер (G) - 16 мм.

Размер (L) - 36

Размер (S) - 16 мм.

Болт (G) - M14

Масса - 1,84 Кг

Количество дорожек качения - 1

Уплотнение - Есть

Цены указаны ознакомительные, для уточнения цены и наличия просим связаться с нами по телефону, или отправить заявку на почту - sales@specprompodshipnik.ru или по тел.: +7(499) 369-70-54

Возврат к списку