Подшипник UCF208-25 (KOYO)

Подшипник UCF208-25 (KOYO)

Технические характеристики

Обозначение : UCF208-25

Производитель : KOYO

Диаметр внутренний, мм : 39,6875

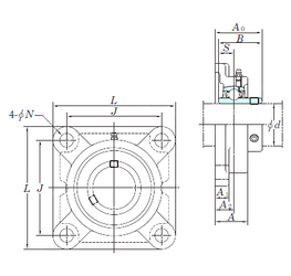
Технические данные из каталога производителя :

Внутренний диаметр (d) - 39,6875 мм.

Размер (A0) - 51,2

Размер (A) - 36 мм.

Размер (A1) - 15 мм.

Размер (B) - 49,2 мм.

Размер (J) - 102 мм.

Размер (L) - 130

Размер (N) - 16 мм.

Размер (S) - 19 мм.

Болт (G) - M14

Размер (A2) - 21

Масса - 1,9 Кг

Грузоподъемность динамическая (C) - 29,1 кН

Грузоподъемность статическая (C0) - 17,8 кН

Расчетный коэффициент (f0) - 14

Количество дорожек качения - 1

Уплотнение - Есть

Цены указаны ознакомительные, для уточнения цены и наличия просим связаться с нами по телефону, или отправить заявку на почту - sales@specprompodshipnik.ru или по тел.: +7(499) 369-70-54

Возврат к списку